山东万象环境科技有限公司
联系人:毛经理
联系电话:15666889815
QQ:1950883583
公司地址:山东省潍坊高新区新城街道玉清社区光电路155号潍坊高新区光电产业加速器(一期)1号楼301
PRODUCT
联系人:毛经理
联系电话:15666889815
QQ:1950883583
公司地址:山东省潍坊高新区新城街道玉清社区光电路155号潍坊高新区光电产业加速器(一期)1号楼301

更新时间:2026-03-06
产品型号:WX-QT11
产品价格:电议
产品品牌:万象系
一、一氧化氮传感器技术参数
一氧化氮传感器是一种专门用于检测空气中一氧化氮气体浓度的设备,一氧化氮传感器通过电化学、化学发光等技术实现ppb级检测精度,具有高精度,稳定性强, 响应速度快的特点,能够实时监测气体浓度的变化可用于环境监测、医疗诊断和工业安全等领域。
型号 | 测量参数 | 测量范围 | 精度 | 分辨率 | 单位 | 工作温度 | 工作湿度 |
QT1 | 一氧化碳 | 0-1000PPM | ±2PPM | 1PPM | PPM | -20℃-+50℃ | 10-95%RH无冷凝 |
QT1S | 0-20PPM | ≤±5% | 0.01PPM | PPM | -20℃-+50℃ | 10-95%RH无冷凝 | |
QT2 | 二氧化硫 | 0-20PPM | ±1PPM | 0.1PPM | PPM | -20℃-+50℃ | 10-95%RH无冷凝 |
QT2S | 0-1PPM | ≤±5% | 0.001ppm | PPM | -20℃-+50℃ | 10-95%RH无冷凝 | |
QT3 | 二氧化氮 | 0-20PPM | ±1PPM | 0.1PPM | PPM | -20℃-+50℃ | 10-95%RH无冷凝 |
QT3S | 0-1PPM | ≤±5% | 0.001ppm | PPM | -20℃-+50℃ | 10-95%RH无冷凝 | |
QT4 | 臭氧 | 0-20PPM | ±1PPM | 0.1PPM | PPM | -20℃-+50℃ | 10-95%RH无冷凝 |
QT4S | 0-1PPM | ≤±5% | 0.001ppm | PPM | -20℃-+50℃ | 10-95%RH无冷凝 | |
QT5 | 氧含量 | 0~30%VOL | ±3%FS | 0.1%VOL | VOL | -20℃-+50℃ | 5-95%RH 无冷凝 |
QT6 | 负氧离子 | 0~10万 个/cm³ | ±10% | 10个/cm³ | 个/cm³ | +10℃-+70℃ | 10-70%RH无冷凝 |
QT7 | 硫化氢 | 0-100PPM | ±2PPM | 1PPM | PPM | -20℃-+50℃ | 10-95%RH无冷凝 |
QT8 | 甲烷 | 0-100%LEL | ≤±3% | 1%LEL | LEL | -20℃-+50℃ | 10-95%RH无冷凝 |
QT9 | TVOC | 0-100PPM | 55±15 nA/ppm | 1PPM | PPM | -20℃-+50℃ | 10-95%RH无冷凝 |
QT10 | 氨气 | 0-100PPM | ±4PPM | 1PPM | PPM | -20℃-+50℃ | 10-95%RH无冷凝 |
QT11 | 一氧化氮 | 0-250PPM | -2~10PPM | 1PPM | PPM | -20℃-+50℃ | 10-95%RH无冷凝 |
QT12 | 甲醛 | 0-10PPM | <1PPM | 0.1PPM | PPM | -20℃-+50℃ | 10-95%RH无冷凝 |
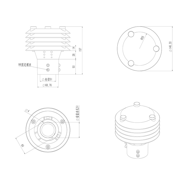
二、一氧化氮传感器产品尺寸图

小巧便携功能强,便携式el检测仪护光伏质量
2026-03-06 09:50:57森林气象环境监测站:一台设备守护整片森林安全
2026-03-06 09:49:48小巧便携功能强,便携式水质检测仪实测好用
2026-03-06 09:48:30水质硬度速测神器!便携式水质硬度测定仪,即取即测不等待
2026-03-05 09:57:17告别盲目防治!全自动孢子捕捉仪,掌握病害孢子动态
2026-03-05 09:56:14风场数据一目了然!三维无人机风速风向仪,新手也能轻松用
2026-03-05 09:55:04雨水实时监测系统提供降水原始数据
2024-06-18 10:42:12十层管式土壤墒情监测站是如何发挥作用的?
2025-01-23 10:31:45不锈钢管式多层土壤墒情监测站,灌溉好帮手!
2025-09-09 10:33:47应急气象站便于携带,使用方便
2024-09-09 10:43:27大气环境监测系统可以帮助评估空气质量和变化趋势
2024-04-29 10:26:44振弦式表面应变计测量结构物表⾯的应变量
2024-06-18 10:47:59