山东万象环境科技有限公司
联系人:毛经理
联系电话:15666889815
QQ:1950883583
公司地址:山东省潍坊高新区新城街道玉清社区光电路155号潍坊高新区光电产业加速器(一期)1号楼301
PRODUCT
联系人:毛经理
联系电话:15666889815
QQ:1950883583
公司地址:山东省潍坊高新区新城街道玉清社区光电路155号潍坊高新区光电产业加速器(一期)1号楼301

更新时间:2026-04-17
产品型号:WX-QT12
产品价格:电议
产品品牌:万象系
一、甲醛传感器技术参数
甲醛传感器是专门用于检测空气中甲醛(HCHO,具有刺激性的有毒气体)浓度的核心器件,能将甲醛浓度转化为可读取的电信号,广泛应用于室内空气监测、装修污染检测及工业生产预警场景
型号 | 测量参数 | 测量范围 | 精度 | 分辨率 | 单位 | 工作温度 | 工作湿度 |
QT1 | 一氧化碳 | 0-1000PPM | ±2PPM | 1PPM | PPM | -20℃-+50℃ | 10-95%RH无冷凝 |
QT1S | 0-20PPM | ≤±5% | 0.01PPM | PPM | -20℃-+50℃ | 10-95%RH无冷凝 | |
QT2 | 二氧化硫 | 0-20PPM | ±1PPM | 0.1PPM | PPM | -20℃-+50℃ | 10-95%RH无冷凝 |
QT2S | 0-1PPM | ≤±5% | 0.001ppm | PPM | -20℃-+50℃ | 10-95%RH无冷凝 | |
QT3 | 二氧化氮 | 0-20PPM | ±1PPM | 0.1PPM | PPM | -20℃-+50℃ | 10-95%RH无冷凝 |
QT3S | 0-1PPM | ≤±5% | 0.001ppm | PPM | -20℃-+50℃ | 10-95%RH无冷凝 | |
QT4 | 臭氧 | 0-20PPM | ±1PPM | 0.1PPM | PPM | -20℃-+50℃ | 10-95%RH无冷凝 |
QT4S | 0-1PPM | ≤±5% | 0.001ppm | PPM | -20℃-+50℃ | 10-95%RH无冷凝 | |
QT5 | 氧含量 | 0~30%VOL | ±3%FS | 0.1%VOL | VOL | -20℃-+50℃ | 5-95%RH 无冷凝 |
QT6 | 负氧离子 | 0~10万 个/cm³ | ±10% | 10个/cm³ | 个/cm³ | +10℃-+70℃ | 10-70%RH无冷凝 |
QT7 | 硫化氢 | 0-100PPM | ±2PPM | 1PPM | PPM | -20℃-+50℃ | 10-95%RH无冷凝 |
QT8 | 甲烷 | 0-100%LEL | ≤±3% | 1%LEL | LEL | -20℃-+50℃ | 10-95%RH无冷凝 |
QT9 | TVOC | 0-100PPM | 55±15 nA/ppm | 1PPM | PPM | -20℃-+50℃ | 10-95%RH无冷凝 |
QT10 | 氨气 | 0-100PPM | ±4PPM | 1PPM | PPM | -20℃-+50℃ | 10-95%RH无冷凝 |
QT11 | 一氧化氮 | 0-250PPM | -2~10PPM | 1PPM | PPM | -20℃-+50℃ | 10-95%RH无冷凝 |
QT12 | 甲醛 | 0-10PPM | <1PPM | 0.1PPM | PPM | -20℃-+50℃ | 10-95%RH无冷凝 |
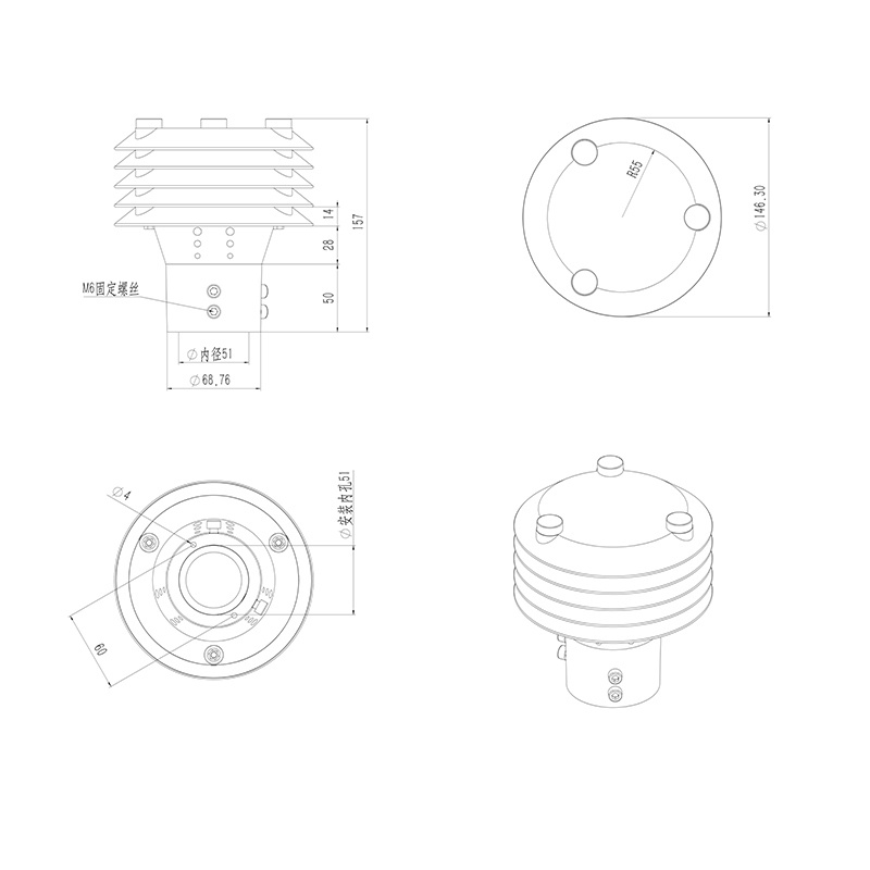
二、甲醛传感器产品尺寸图

物联网虫情测报系统:农业虫害防控的智能装备
2026-04-17 10:38:02压电雨量监测站——精准监测的智能雨量监测装备
2026-04-17 10:36:42四通道32孔非洲猪瘟检测仪:筑牢生猪防疫第一道关卡
2026-04-17 10:35:24便携又高效!便携一体式多参数水质检测仪,普通人也能轻松测水质
2026-04-16 10:52:28默默守幼苗,长势早知道:自动苗情监测站的实用日常
2026-04-16 10:51:19看得见的安全,测得到的能见度——交通气象能见度监测站护航出行
2026-04-16 10:49:14景区负氧离子监测仪器——景区空气质量传播中心
2024-03-28 10:16:30小型农业自动气象站,守护作物好生长
2026-03-25 11:34:37公园负氧离子监测站,既美观,又实用!
2025-04-08 10:58:34国产光学雨量传感器,优势尽显
2025-07-01 10:37:20农业四情自动监测系统:解锁智慧农耕新方式,守护田间每一份希望
2026-04-01 10:55:56取水水质四参数在线监测系统:箱体式监测水质宝藏工具
2025-07-10 10:48:34