山东万象环境科技有限公司
联系人:毛经理
联系电话:15666889815
QQ:1950883583
公司地址:山东省潍坊高新区新城街道玉清社区光电路155号潍坊高新区光电产业加速器(一期)1号楼301
PRODUCT
联系人:毛经理
联系电话:15666889815
QQ:1950883583
公司地址:山东省潍坊高新区新城街道玉清社区光电路155号潍坊高新区光电产业加速器(一期)1号楼301

更新时间:2026-03-05
产品型号:WX-QT1S
产品价格:电议
产品品牌:万象系
一、高精度一氧化碳传感器技术参数
高精度一氧化碳传感器又称一氧化碳传感器,高精度一氧化碳传感器是一种用于精确检测空气中一氧化碳浓度的设备,广泛应用于工业安全、家庭防护等领域,可用于发电机组房、化工厂等场所的管道巡检,及时预警一氧化碳泄漏风险,保护作业人员的生命安全。
型号 | 测量参数 | 测量范围 | 精度 | 分辨率 | 单位 | 工作温度 | 工作湿度 |
QT1 | 一氧化碳 | 0-1000PPM | ±2PPM | 1PPM | PPM | -20℃-+50℃ | 10-95%RH无冷凝 |
QT1S | 0-20PPM | ≤±5% | 0.01PPM | PPM | -20℃-+50℃ | 10-95%RH无冷凝 | |
QT2 | 二氧化硫 | 0-20PPM | ±1PPM | 0.1PPM | PPM | -20℃-+50℃ | 10-95%RH无冷凝 |
QT2S | 0-1PPM | ≤±5% | 0.001ppm | PPM | -20℃-+50℃ | 10-95%RH无冷凝 | |
QT3 | 二氧化氮 | 0-20PPM | ±1PPM | 0.1PPM | PPM | -20℃-+50℃ | 10-95%RH无冷凝 |
QT3S | 0-1PPM | ≤±5% | 0.001ppm | PPM | -20℃-+50℃ | 10-95%RH无冷凝 | |
QT4 | 臭氧 | 0-20PPM | ±1PPM | 0.1PPM | PPM | -20℃-+50℃ | 10-95%RH无冷凝 |
QT4S | 0-1PPM | ≤±5% | 0.001ppm | PPM | -20℃-+50℃ | 10-95%RH无冷凝 | |
QT5 | 氧含量 | 0~30%VOL | ±3%FS | 0.1%VOL | VOL | -20℃-+50℃ | 5-95%RH 无冷凝 |
QT6 | 负氧离子 | 0~10万 个/cm³ | ±10% | 10个/cm³ | 个/cm³ | +10℃-+70℃ | 10-70%RH无冷凝 |
QT7 | 硫化氢 | 0-100PPM | ±2PPM | 1PPM | PPM | -20℃-+50℃ | 10-95%RH无冷凝 |
QT8 | 甲烷 | 0-100%LEL | ≤±3% | 1%LEL | LEL | -20℃-+50℃ | 10-95%RH无冷凝 |
QT9 | TVOC | 0-100PPM | 55±15 nA/ppm | 1PPM | PPM | -20℃-+50℃ | 10-95%RH无冷凝 |
QT10 | 氨气 | 0-100PPM | ±4PPM | 1PPM | PPM | -20℃-+50℃ | 10-95%RH无冷凝 |
QT11 | 一氧化氮 | 0-250PPM | -2~10PPM | 1PPM | PPM | -20℃-+50℃ | 10-95%RH无冷凝 |
QT12 | 甲醛 | 0-10PPM | <1PPM | 0.1PPM | PPM | -20℃-+50℃ | 10-95%RH无冷凝 |
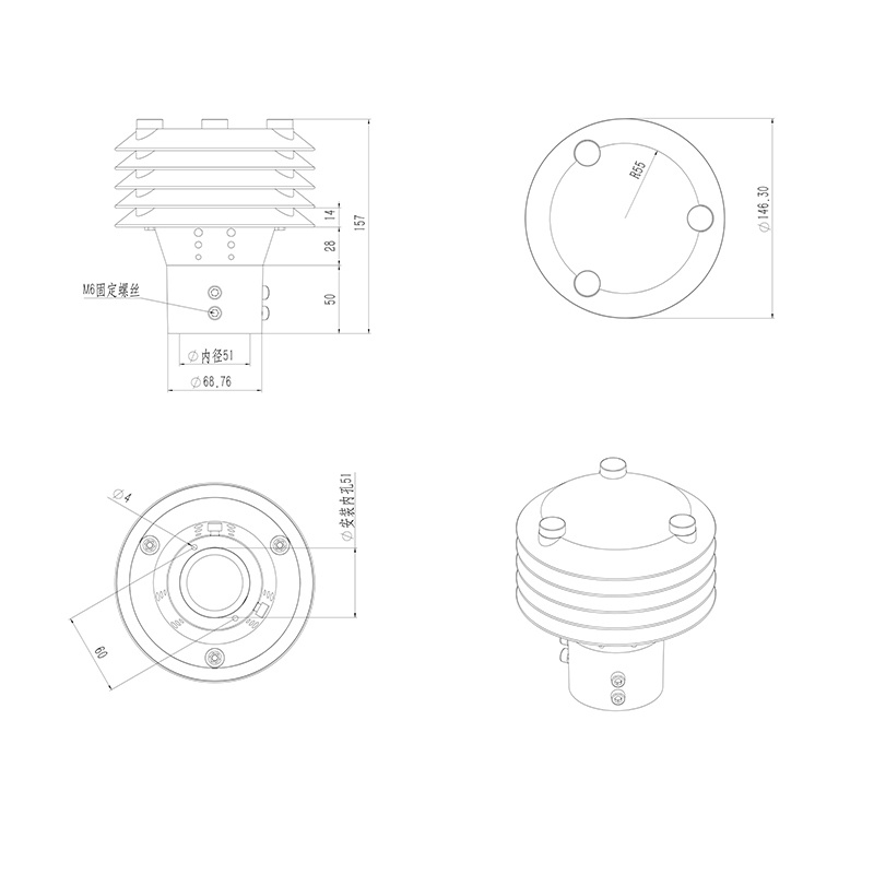
二、高精度一氧化碳传感器产品尺寸图

水质硬度速测神器!便携式水质硬度测定仪,即取即测不等待
2026-03-05 09:57:17告别盲目防治!全自动孢子捕捉仪,掌握病害孢子动态
2026-03-05 09:56:14风场数据一目了然!三维无人机风速风向仪,新手也能轻松用
2026-03-05 09:55:04小巧随身带,气象全知晓——便捷式小型自动气象站来袭
2026-03-04 09:55:29智能赋能农田管理:智能农田四情监测预警系统守护丰产希望
2026-03-04 09:54:22便携式水质COD浊度测定仪:随身随行的水质检测好帮手
2026-03-04 09:52:47农业户外气象站,农业种植中的得力工具之一
2025-05-30 10:42:44四气两尘空气站提升城市生态质量
2024-04-10 09:47:39组串式el检测仪:高精度成像与缺陷识别
2024-12-25 11:00:08雪深监测站-感知每一寸积雪
2025-12-04 10:20:35一体化气象传感器为气象监测服务提供基础的数据支持
2023-08-15 16:23:50气象辐射自动观测系统对各种类型的太阳辐射能量数据进行测量
2024-08-22 10:44:02