山东万象环境科技有限公司
联系人:毛经理
联系电话:15666889815
QQ:1950883583
公司地址:山东省潍坊高新区新城街道玉清社区光电路155号潍坊高新区光电产业加速器(一期)1号楼301
PRODUCT
联系人:毛经理
联系电话:15666889815
QQ:1950883583
公司地址:山东省潍坊高新区新城街道玉清社区光电路155号潍坊高新区光电产业加速器(一期)1号楼301

更新时间:2026-03-05
产品型号:WX-QT5
产品价格:电议
产品品牌:万象系
一、氧含量传感器技术参数
氧含量传感器又称氧气传感器,是工业、医疗、环境安全等领域中应用最广泛的气体传感器之一,氧含量传感器是专门用于测量混合气体中氧气的体积浓度的传感器设备,可广泛应用于工业自动化、环境监测、医疗设备等领域使用
型号 | 测量参数 | 测量范围 | 精度 | 分辨率 | 单位 | 工作温度 | 工作湿度 |
QT1 | 一氧化碳 | 0-1000PPM | ±2PPM | 1PPM | PPM | -20℃-+50℃ | 10-95%RH无冷凝 |
QT1S | 0-20PPM | ≤±5% | 0.01PPM | PPM | -20℃-+50℃ | 10-95%RH无冷凝 | |
QT2 | 二氧化硫 | 0-20PPM | ±1PPM | 0.1PPM | PPM | -20℃-+50℃ | 10-95%RH无冷凝 |
QT2S | 0-1PPM | ≤±5% | 0.001ppm | PPM | -20℃-+50℃ | 10-95%RH无冷凝 | |
QT3 | 二氧化氮 | 0-20PPM | ±1PPM | 0.1PPM | PPM | -20℃-+50℃ | 10-95%RH无冷凝 |
QT3S | 0-1PPM | ≤±5% | 0.001ppm | PPM | -20℃-+50℃ | 10-95%RH无冷凝 | |
QT4 | 臭氧 | 0-20PPM | ±1PPM | 0.1PPM | PPM | -20℃-+50℃ | 10-95%RH无冷凝 |
QT4S | 0-1PPM | ≤±5% | 0.001ppm | PPM | -20℃-+50℃ | 10-95%RH无冷凝 | |
QT5 | 氧含量 | 0~30%VOL | ±3%FS | 0.1%VOL | VOL | -20℃-+50℃ | 5-95%RH 无冷凝 |
QT6 | 负氧离子 | 0~10万 个/cm³ | ±10% | 10个/cm³ | 个/cm³ | +10℃-+70℃ | 10-70%RH无冷凝 |
QT7 | 硫化氢 | 0-100PPM | ±2PPM | 1PPM | PPM | -20℃-+50℃ | 10-95%RH无冷凝 |
QT8 | 甲烷 | 0-100%LEL | ≤±3% | 1%LEL | LEL | -20℃-+50℃ | 10-95%RH无冷凝 |
QT9 | TVOC | 0-100PPM | 55±15 nA/ppm | 1PPM | PPM | -20℃-+50℃ | 10-95%RH无冷凝 |
QT10 | 氨气 | 0-100PPM | ±4PPM | 1PPM | PPM | -20℃-+50℃ | 10-95%RH无冷凝 |
QT11 | 一氧化氮 | 0-250PPM | -2~10PPM | 1PPM | PPM | -20℃-+50℃ | 10-95%RH无冷凝 |
QT12 | 甲醛 | 0-10PPM | <1PPM | 0.1PPM | PPM | -20℃-+50℃ | 10-95%RH无冷凝 |
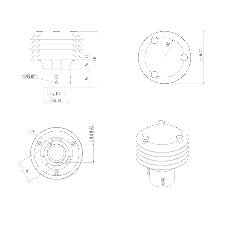
二、氧含量传感器产品尺寸图

水质硬度速测神器!便携式水质硬度测定仪,即取即测不等待
2026-03-05 09:57:17告别盲目防治!全自动孢子捕捉仪,掌握病害孢子动态
2026-03-05 09:56:14风场数据一目了然!三维无人机风速风向仪,新手也能轻松用
2026-03-05 09:55:04小巧随身带,气象全知晓——便捷式小型自动气象站来袭
2026-03-04 09:55:29智能赋能农田管理:智能农田四情监测预警系统守护丰产希望
2026-03-04 09:54:22便携式水质COD浊度测定仪:随身随行的水质检测好帮手
2026-03-04 09:52:47微型气象站可以用来应急灾害监测
2024-10-12 10:30:55压电六要素传感器——值得信任的气象监测设备
2023-07-24 13:22:30石化厂防爆气象站守护石化厂生产安全
2024-07-02 10:48:14新型全自动孢子捕捉仪的创新之处在哪?
2024-08-19 10:25:53从实验室到自然水域:立杆水质监测站
2025-11-07 10:50:54鸽子性别鉴别仪:养鸽人的“贴心助手”
2025-12-18 09:30:37