山东万象环境科技有限公司
联系人:毛经理
联系电话:15666889815
QQ:1950883583
公司地址:山东省潍坊高新区新城街道玉清社区光电路155号潍坊高新区光电产业加速器(一期)1号楼301
PRODUCT
联系人:毛经理
联系电话:15666889815
QQ:1950883583
公司地址:山东省潍坊高新区新城街道玉清社区光电路155号潍坊高新区光电产业加速器(一期)1号楼301

更新时间:2026-01-19
产品型号:WX-QT2S
产品价格:电议
产品品牌:万象系
一、高精度二氧化硫传感器技术参数
高精度二氧化硫传感器又称二氧化硫传感器,高精度二氧化硫传感器是一种用于监测空气中二氧化硫浓度的传感器设备,高精度二氧化硫传感器能够准确检测空气中二氧化硫的浓度,并实时输出数据。其测量范围广泛,能够覆盖从低到高不同浓度的二氧化硫气体,满足不同场景的监测需求。
型号 | 测量参数 | 测量范围 | 精度 | 分辨率 | 单位 | 工作温度 | 工作湿度 |
QT1 | 一氧化碳 | 0-1000PPM | ±2PPM | 1PPM | PPM | -20℃-+50℃ | 10-95%RH无冷凝 |
QT1S | 0-20PPM | ≤±5% | 0.01PPM | PPM | -20℃-+50℃ | 10-95%RH无冷凝 | |
QT2 | 二氧化硫 | 0-20PPM | ±1PPM | 0.1PPM | PPM | -20℃-+50℃ | 10-95%RH无冷凝 |
QT2S | 0-1PPM | ≤±5% | 0.001ppm | PPM | -20℃-+50℃ | 10-95%RH无冷凝 | |
QT3 | 二氧化氮 | 0-20PPM | ±1PPM | 0.1PPM | PPM | -20℃-+50℃ | 10-95%RH无冷凝 |
QT3S | 0-1PPM | ≤±5% | 0.001ppm | PPM | -20℃-+50℃ | 10-95%RH无冷凝 | |
QT4 | 臭氧 | 0-20PPM | ±1PPM | 0.1PPM | PPM | -20℃-+50℃ | 10-95%RH无冷凝 |
QT4S | 0-1PPM | ≤±5% | 0.001ppm | PPM | -20℃-+50℃ | 10-95%RH无冷凝 | |
QT5 | 氧含量 | 0~30%VOL | ±3%FS | 0.1%VOL | VOL | -20℃-+50℃ | 5-95%RH 无冷凝 |
QT6 | 负氧离子 | 0~10万 个/cm³ | ±10% | 10个/cm³ | 个/cm³ | +10℃-+70℃ | 10-70%RH无冷凝 |
QT7 | 硫化氢 | 0-100PPM | ±2PPM | 1PPM | PPM | -20℃-+50℃ | 10-95%RH无冷凝 |
QT8 | 甲烷 | 0-100%LEL | ≤±3% | 1%LEL | LEL | -20℃-+50℃ | 10-95%RH无冷凝 |
QT9 | TVOC | 0-100PPM | 55±15 nA/ppm | 1PPM | PPM | -20℃-+50℃ | 10-95%RH无冷凝 |
QT10 | 氨气 | 0-100PPM | ±4PPM | 1PPM | PPM | -20℃-+50℃ | 10-95%RH无冷凝 |
QT11 | 一氧化氮 | 0-250PPM | -2~10PPM | 1PPM | PPM | -20℃-+50℃ | 10-95%RH无冷凝 |
QT12 | 甲醛 | 0-10PPM | <1PPM | 0.1PPM | PPM | -20℃-+50℃ | 10-95%RH无冷凝 |
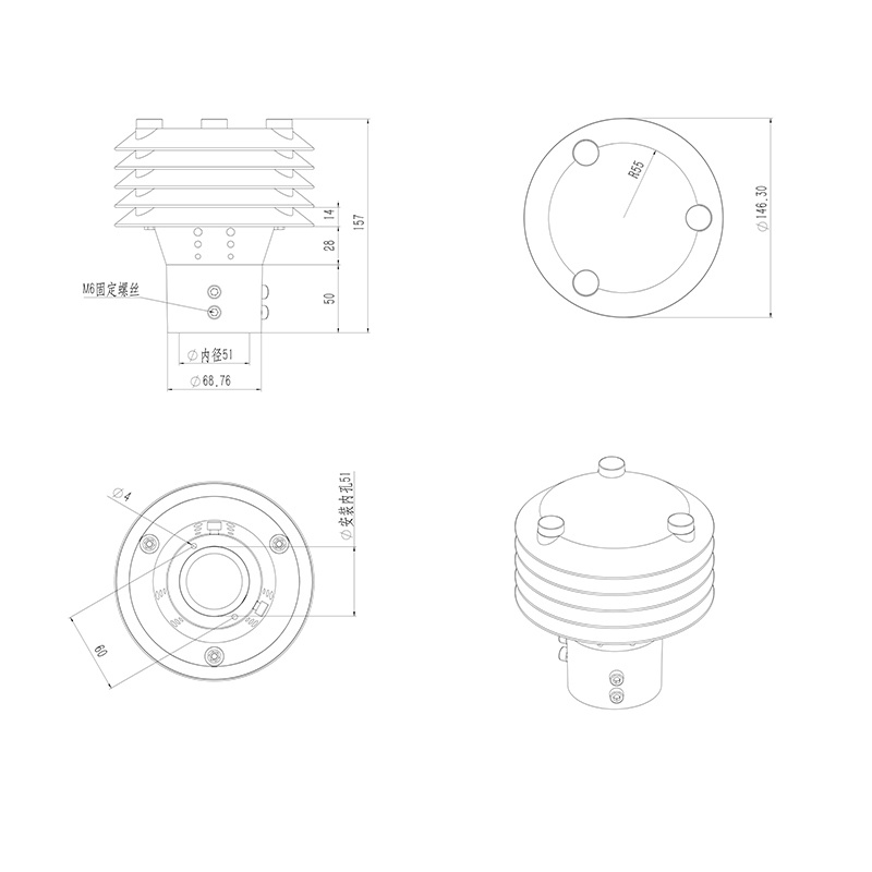
二、产品尺寸图

便携式能见度监测仪:户外视野的精准感知帮手
2026-01-19 09:49:59全维守护作物生长:农业种植四情监测系统的硬核种植实力
2026-01-19 09:48:55智能观测新标杆-全自动小型气象站让监测更高效
2026-01-19 09:47:18精准捕捉边坡异动:边坡沉降位移监测系统守护一方平安
2026-01-16 10:50:49精准感知河流水位:河道水位监测设备守护水域生态安全
2026-01-16 10:49:20小设备大作用!田间土壤墒情监测系统让田间土壤管理精准高效
2026-01-16 10:46:05煤气区域防爆型小型气象站防爆效果嘎嘎好
2024-10-09 11:06:02数字高精度光伏电站灰尘监测系统安装必要性解析
2024-09-06 10:52:20输电线路积冰监测系统-输电线路的智能防冰卫士
2025-12-04 10:17:49便携式气象站——一款可以用来应急的气象站
2024-12-18 10:43:45并网式光伏环境监测仪,光伏发电环境专业监测
2025-07-23 10:52:35高标准农田气象监测系统,“全要素+精准化”的监测能力
2025-09-15 10:16:40