山东万象环境科技有限公司
联系人:毛经理
联系电话:15666889815
QQ:1950883583
公司地址:山东省潍坊高新区新城街道玉清社区光电路155号潍坊高新区光电产业加速器(一期)1号楼301
PRODUCT
联系人:毛经理
联系电话:15666889815
QQ:1950883583
公司地址:山东省潍坊高新区新城街道玉清社区光电路155号潍坊高新区光电产业加速器(一期)1号楼301

更新时间:2026-01-19
产品型号:WX-QT3
产品价格:电议
产品品牌:万象系
一、二氧化氮传感器技术参数
二氧化氮传感器是一种用于检测和测量空气中或特定环境中的二氧化氮气体浓度的设备,能将 NO₂浓度转化为可读取的电信号,广泛应用于环境空气质量监测、工业排放监管及室内安全预警场景,主流检测技术以电化学和光学原理为主。
型号 | 测量参数 | 测量范围 | 精度 | 分辨率 | 单位 | 工作温度 | 工作湿度 |
QT1 | 一氧化碳 | 0-1000PPM | ±2PPM | 1PPM | PPM | -20℃-+50℃ | 10-95%RH无冷凝 |
QT1S | 0-20PPM | ≤±5% | 0.01PPM | PPM | -20℃-+50℃ | 10-95%RH无冷凝 | |
QT2 | 二氧化硫 | 0-20PPM | ±1PPM | 0.1PPM | PPM | -20℃-+50℃ | 10-95%RH无冷凝 |
QT2S | 0-1PPM | ≤±5% | 0.001ppm | PPM | -20℃-+50℃ | 10-95%RH无冷凝 | |
QT3 | 二氧化氮 | 0-20PPM | ±1PPM | 0.1PPM | PPM | -20℃-+50℃ | 10-95%RH无冷凝 |
QT3S | 0-1PPM | ≤±5% | 0.001ppm | PPM | -20℃-+50℃ | 10-95%RH无冷凝 | |
QT4 | 臭氧 | 0-20PPM | ±1PPM | 0.1PPM | PPM | -20℃-+50℃ | 10-95%RH无冷凝 |
QT4S | 0-1PPM | ≤±5% | 0.001ppm | PPM | -20℃-+50℃ | 10-95%RH无冷凝 | |
QT5 | 氧含量 | 0~30%VOL | ±3%FS | 0.1%VOL | VOL | -20℃-+50℃ | 5-95%RH 无冷凝 |
QT6 | 负氧离子 | 0~10万 个/cm³ | ±10% | 10个/cm³ | 个/cm³ | +10℃-+70℃ | 10-70%RH无冷凝 |
QT7 | 硫化氢 | 0-100PPM | ±2PPM | 1PPM | PPM | -20℃-+50℃ | 10-95%RH无冷凝 |
QT8 | 甲烷 | 0-100%LEL | ≤±3% | 1%LEL | LEL | -20℃-+50℃ | 10-95%RH无冷凝 |
QT9 | TVOC | 0-100PPM | 55±15 nA/ppm | 1PPM | PPM | -20℃-+50℃ | 10-95%RH无冷凝 |
QT10 | 氨气 | 0-100PPM | ±4PPM | 1PPM | PPM | -20℃-+50℃ | 10-95%RH无冷凝 |
QT11 | 一氧化氮 | 0-250PPM | -2~10PPM | 1PPM | PPM | -20℃-+50℃ | 10-95%RH无冷凝 |
QT12 | 甲醛 | 0-10PPM | <1PPM | 0.1PPM | PPM | -20℃-+50℃ | 10-95%RH无冷凝 |
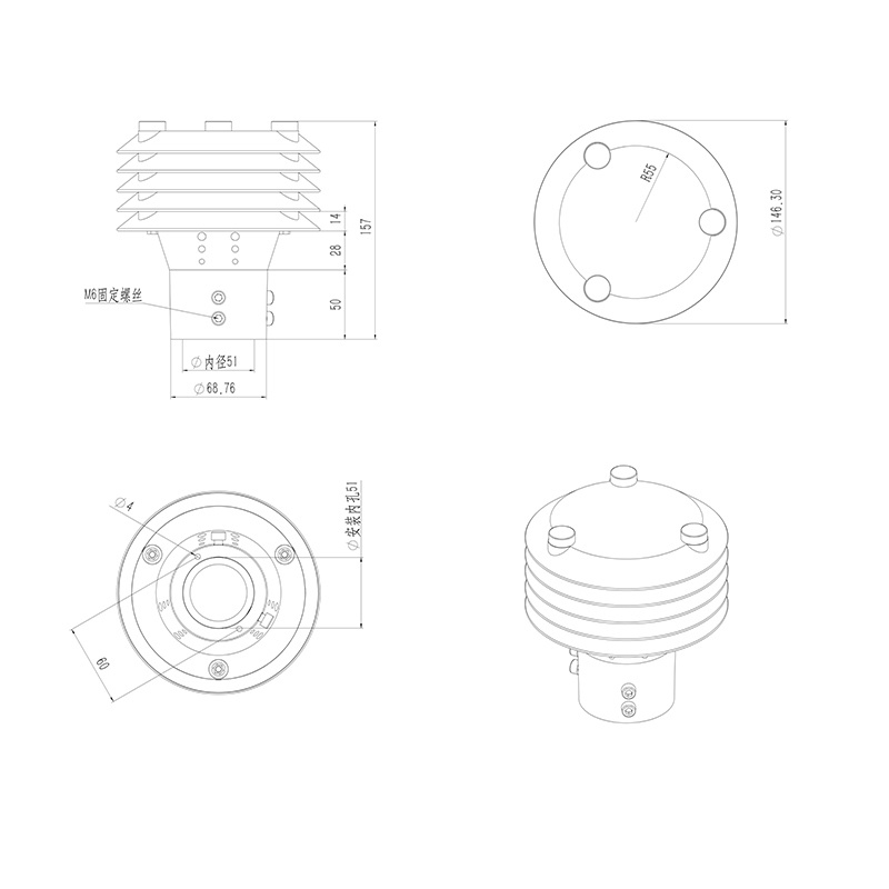
二、二氧化氮传感器产品尺寸图

便携式能见度监测仪:户外视野的精准感知帮手
2026-01-19 09:49:59全维守护作物生长:农业种植四情监测系统的硬核种植实力
2026-01-19 09:48:55智能观测新标杆-全自动小型气象站让监测更高效
2026-01-19 09:47:18精准捕捉边坡异动:边坡沉降位移监测系统守护一方平安
2026-01-16 10:50:49精准感知河流水位:河道水位监测设备守护水域生态安全
2026-01-16 10:49:20小设备大作用!田间土壤墒情监测系统让田间土壤管理精准高效
2026-01-16 10:46:05光伏el检测仪如何看透光伏组件的秘密?
2025-10-17 09:53:18可移动升降避雷针怎么样精准防雷?
2025-10-16 10:09:27农业气象环境物联网监测系统是怎么帮助农业生产的?
2025-02-05 10:31:46气象“移动哨”:便携式一体气象站
2025-09-17 10:42:53作为农业物联网四情监测系统的厂家,万象环境的售后服务怎么样?
2025-03-05 10:59:24超声波雪深传感器的原理和不同应用场景
2023-11-29 10:53:24