山东万象环境科技有限公司
联系人:毛经理
联系电话:15666889815
QQ:1950883583
公司地址:山东省潍坊高新区新城街道玉清社区光电路155号潍坊高新区光电产业加速器(一期)1号楼301
PRODUCT
联系人:毛经理
联系电话:15666889815
QQ:1950883583
公司地址:山东省潍坊高新区新城街道玉清社区光电路155号潍坊高新区光电产业加速器(一期)1号楼301

更新时间:2026-03-06
产品型号:WX-QT7
产品价格:电议
产品品牌:万象系
一、硫化氢传感器技术参数
硫化氢传感器又称硫化氢气体传感器,硫化氢传感器一种专门用于检测空气中硫化氢气体浓度的设备, 具有高精度、快速响应,监测范围广泛等特点,配合报警仪能够实现对硫化氢气体的较高精度、灵敏度检测,即使在复杂多变的环境中也能保持稳定的监测性能
型号 | 测量参数 | 测量范围 | 精度 | 分辨率 | 单位 | 工作温度 | 工作湿度 |
QT1 | 一氧化碳 | 0-1000PPM | ±2PPM | 1PPM | PPM | -20℃-+50℃ | 10-95%RH无冷凝 |
QT1S | 0-20PPM | ≤±5% | 0.01PPM | PPM | -20℃-+50℃ | 10-95%RH无冷凝 | |
QT2 | 二氧化硫 | 0-20PPM | ±1PPM | 0.1PPM | PPM | -20℃-+50℃ | 10-95%RH无冷凝 |
QT2S | 0-1PPM | ≤±5% | 0.001ppm | PPM | -20℃-+50℃ | 10-95%RH无冷凝 | |
QT3 | 二氧化氮 | 0-20PPM | ±1PPM | 0.1PPM | PPM | -20℃-+50℃ | 10-95%RH无冷凝 |
QT3S | 0-1PPM | ≤±5% | 0.001ppm | PPM | -20℃-+50℃ | 10-95%RH无冷凝 | |
QT4 | 臭氧 | 0-20PPM | ±1PPM | 0.1PPM | PPM | -20℃-+50℃ | 10-95%RH无冷凝 |
QT4S | 0-1PPM | ≤±5% | 0.001ppm | PPM | -20℃-+50℃ | 10-95%RH无冷凝 | |
QT5 | 氧含量 | 0~30%VOL | ±3%FS | 0.1%VOL | VOL | -20℃-+50℃ | 5-95%RH 无冷凝 |
QT6 | 负氧离子 | 0~10万 个/cm³ | ±10% | 10个/cm³ | 个/cm³ | +10℃-+70℃ | 10-70%RH无冷凝 |
QT7 | 硫化氢 | 0-100PPM | ±2PPM | 1PPM | PPM | -20℃-+50℃ | 10-95%RH无冷凝 |
QT8 | 甲烷 | 0-100%LEL | ≤±3% | 1%LEL | LEL | -20℃-+50℃ | 10-95%RH无冷凝 |
QT9 | TVOC | 0-100PPM | 55±15 nA/ppm | 1PPM | PPM | -20℃-+50℃ | 10-95%RH无冷凝 |
QT10 | 氨气 | 0-100PPM | ±4PPM | 1PPM | PPM | -20℃-+50℃ | 10-95%RH无冷凝 |
QT11 | 一氧化氮 | 0-250PPM | -2~10PPM | 1PPM | PPM | -20℃-+50℃ | 10-95%RH无冷凝 |
QT12 | 甲醛 | 0-10PPM | <1PPM | 0.1PPM | PPM | -20℃-+50℃ | 10-95%RH无冷凝 |
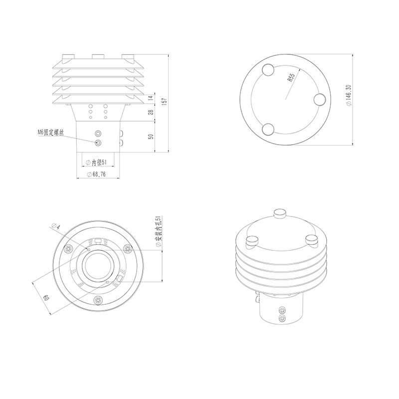
二、硫化氢传感器产品尺寸图

小巧便携功能强,便携式el检测仪护光伏质量
2026-03-06 09:50:57森林气象环境监测站:一台设备守护整片森林安全
2026-03-06 09:49:48小巧便携功能强,便携式水质检测仪实测好用
2026-03-06 09:48:30水质硬度速测神器!便携式水质硬度测定仪,即取即测不等待
2026-03-05 09:57:17告别盲目防治!全自动孢子捕捉仪,掌握病害孢子动态
2026-03-05 09:56:14风场数据一目了然!三维无人机风速风向仪,新手也能轻松用
2026-03-05 09:55:04水土流失监测仪应用广泛,效果显著
2024-07-09 10:45:51从山川湖海到城市街头,便携式移动气象站如何成为气象监测的新宠?
2025-02-18 10:34:58校园全自动气象站——校园安全建设必不可少的工具之一
2025-05-20 10:50:11六层多深度土壤墒情监测设备,让土壤说出它的秘密
2025-09-28 10:32:21感知路面每一种状态——非接触式路面状况传感器守护道路出行
2026-01-15 10:26:55袖珍手持风速风向仪的工作原理
2024-10-28 11:01:23