山东万象环境科技有限公司
联系人:毛经理
联系电话:15666889815
QQ:1950883583
公司地址:山东省潍坊高新区新城街道玉清社区光电路155号潍坊高新区光电产业加速器(一期)1号楼301
PRODUCT
联系人:毛经理
联系电话:15666889815
QQ:1950883583
公司地址:山东省潍坊高新区新城街道玉清社区光电路155号潍坊高新区光电产业加速器(一期)1号楼301

更新时间:2026-03-05
产品型号:WX-QT8
产品价格:电议
产品品牌:万象系
一、甲烷传感器技术参数
甲烷传感器又称甲烷气体传感器,甲烷传感器是专门用于检测空气中甲烷(CH₄,易燃易爆气体)浓度的核心器件,能将甲烷浓度转化为可读取的电信号,核心作用是预防燃气泄漏引发的爆炸或中毒风险,广泛应用于燃气安全、煤矿、工业生产等场景。
型号 | 测量参数 | 测量范围 | 精度 | 分辨率 | 单位 | 工作温度 | 工作湿度 |
QT1 | 一氧化碳 | 0-1000PPM | ±2PPM | 1PPM | PPM | -20℃-+50℃ | 10-95%RH无冷凝 |
QT1S | 0-20PPM | ≤±5% | 0.01PPM | PPM | -20℃-+50℃ | 10-95%RH无冷凝 | |
QT2 | 二氧化硫 | 0-20PPM | ±1PPM | 0.1PPM | PPM | -20℃-+50℃ | 10-95%RH无冷凝 |
QT2S | 0-1PPM | ≤±5% | 0.001ppm | PPM | -20℃-+50℃ | 10-95%RH无冷凝 | |
QT3 | 二氧化氮 | 0-20PPM | ±1PPM | 0.1PPM | PPM | -20℃-+50℃ | 10-95%RH无冷凝 |
QT3S | 0-1PPM | ≤±5% | 0.001ppm | PPM | -20℃-+50℃ | 10-95%RH无冷凝 | |
QT4 | 臭氧 | 0-20PPM | ±1PPM | 0.1PPM | PPM | -20℃-+50℃ | 10-95%RH无冷凝 |
QT4S | 0-1PPM | ≤±5% | 0.001ppm | PPM | -20℃-+50℃ | 10-95%RH无冷凝 | |
QT5 | 氧含量 | 0~30%VOL | ±3%FS | 0.1%VOL | VOL | -20℃-+50℃ | 5-95%RH 无冷凝 |
QT6 | 负氧离子 | 0~10万 个/cm³ | ±10% | 10个/cm³ | 个/cm³ | +10℃-+70℃ | 10-70%RH无冷凝 |
QT7 | 硫化氢 | 0-100PPM | ±2PPM | 1PPM | PPM | -20℃-+50℃ | 10-95%RH无冷凝 |
QT8 | 甲烷 | 0-100%LEL | ≤±3% | 1%LEL | LEL | -20℃-+50℃ | 10-95%RH无冷凝 |
QT9 | TVOC | 0-100PPM | 55±15 nA/ppm | 1PPM | PPM | -20℃-+50℃ | 10-95%RH无冷凝 |
QT10 | 氨气 | 0-100PPM | ±4PPM | 1PPM | PPM | -20℃-+50℃ | 10-95%RH无冷凝 |
QT11 | 一氧化氮 | 0-250PPM | -2~10PPM | 1PPM | PPM | -20℃-+50℃ | 10-95%RH无冷凝 |
QT12 | 甲醛 | 0-10PPM | <1PPM | 0.1PPM | PPM | -20℃-+50℃ | 10-95%RH无冷凝 |
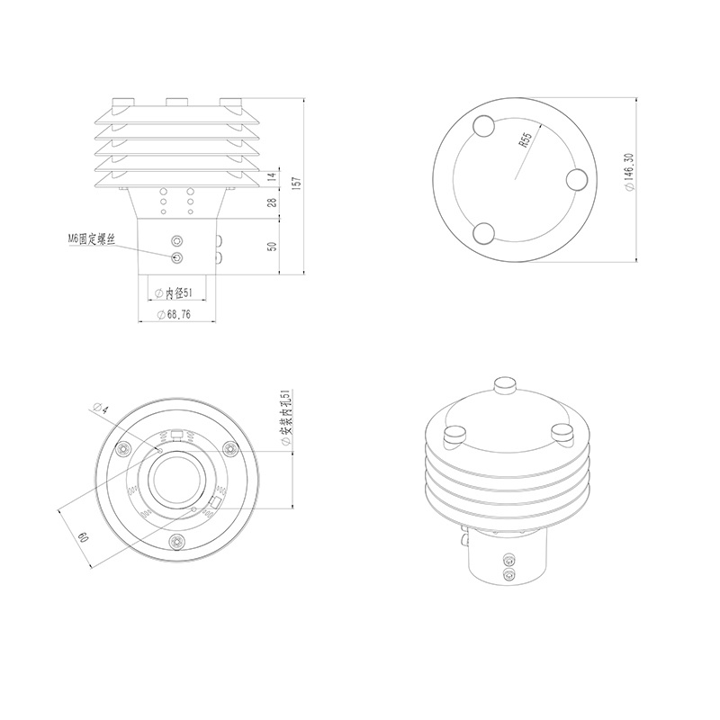
二、甲烷传感器产品尺寸图

水质硬度速测神器!便携式水质硬度测定仪,即取即测不等待
2026-03-05 09:57:17告别盲目防治!全自动孢子捕捉仪,掌握病害孢子动态
2026-03-05 09:56:14风场数据一目了然!三维无人机风速风向仪,新手也能轻松用
2026-03-05 09:55:04小巧随身带,气象全知晓——便捷式小型自动气象站来袭
2026-03-04 09:55:29智能赋能农田管理:智能农田四情监测预警系统守护丰产希望
2026-03-04 09:54:22便携式水质COD浊度测定仪:随身随行的水质检测好帮手
2026-03-04 09:52:47小学校园气象站,校园气象环境监测离不开它!
2025-03-14 10:10:43高精度手持8要素气象站:户外工作者的“气象参谋”
2025-10-13 09:59:53水雨情自动监测系统:这个系统如何听懂水的语言?
2025-09-25 10:21:12翻斗式雨量监测站:精准感知雨量的“无声哨兵”
2025-09-02 10:48:30能见度气象监测站:身边的能见度守护伙伴
2026-01-08 10:31:12智慧农业小型气象站,选万象环境,值得信赖!
2025-03-11 10:41:37